电气火灾监控系统
系统概述
电气火灾监控系统可实时监测现场设备的温度和剩余电流情况,并在被探测参数超过报警设定值时发出报警信号,实现对被监测设备的实时监控,防止电气火灾的发生。该系统具有可靠性、实时性并具有数字化、智能化、网络化、自动化和连续监控等特性。
该系统由电气火灾监控设备、探测器和传感器组成。系统通过探测器对消防设备的用电线路进行实时监控,再由通讯总线上传至电气火灾监控设备,通过监控设备显示所监控设备的实时状态,探测器主要监测设备供电的漏电流和温度等信息,从而判断设备是否存在漏电、发热 严重等异常情况并及时报警、记录。
设备及型号

系统功能
1、监控报警
监控设备线路漏电流的大小;
监控设备线路温度;
报警响应时间:≤2s;
报警光信号:红色LED 指示灯常亮;
报警声信号:可手动消除;当再次有报警; 信号输入时,再次启动。
2、故障报警
监控器与模块(电气火灾监控探测器)之间的连接线断路、短路;
监控器主电源欠压(≤80%主电源电压) 或过压(≥110%主电源电压);
监控器与其分体电源间连接线断路、短路故障报警响应时间:≤2s;
故障报警声信号:手动消除;当再次有报 警信号输入时,再次启动;
故障报警光信号:黄色LED 指示灯常亮 故障期间,非故障回路的正常工作不受 影响。
3、控制输出
监控器报警控制输出:常开无源触点。
4、数据互通
支持以 Modbus 协议与第三方设备建立通讯连接,完成数据交互,形成“监测- 报警-处置”闭环。
5、自动搜索
自有技术专利,一键搜索监控器回路下属探测器,实现探测器的快速部署与配置,提高系统装配效率。
6、主从组网
可视化能力:主机作为中央管理单元,分机按区域部署,形成分级监控网络。主机支持图纸导入,以图形化标识在监控界面中标定设备位置,显示设备信息。
可靠组网能力:主机自动检测分机在线状态及通讯质量,异常时触发故障提示。区域化监控能力:主、分机均可独立挂载区域探测器,故障发生时便于进行快速定位。灵活拓展能力:采用 RS485总线/光纤通讯,支持多分机并联组网,适应不同规模的场景需求。
7、系统自检
连接检查:通信线路及供电线路的断路、 短路、接地自检;
设备自检:主机及探测器的功能自检。
8、报警记录
记录1000条相关故障报警信息;
报警类型:故障类型、发生时间、故障描述 报警事件查询:直接通过监控主机进行查询;
报警记录打印。
9、操作分级
日常值班级:可进入软件界面查看实时监 测情况、消除报警声音和查询报警记录;
监控操作级:可操作除针对系统本身的信 息维护外的其他操作;
系统管理级:可操作系统的任何一个功能模块。
电气火灾监控设备

技术特点
(1)19寸触摸屏,搭配Windows 操作系统,操作便捷易上手
(2)图显型监控界面,设备信息多维展示
(3)系统用户权限分级,降低误操作几率
(4)可与火灾报警系统连接,实时数据统一管理
(5)一键查看全部设备运行状态,故障、报警信息长期可查
(6)配置备用电源,突发状况保障设备正常工作
(7)可作独立型主机,亦可作集中型主机,具备组网能力

电气火灾监控设备

技术特点
(1)7寸嵌入式一体化触摸屏,操作便捷易上手
(2)文本型监控界面,关键信息一目了然
(3)系统用户权限分级,降低误操作几率
(4)可与火灾报警系统连接,实时数据统一管理
(5)故障、报警信息历史记录
(6)配置备用电源,突发状况保障设备正常工作
(7)可作独立型主机,亦可作区域型从机,具备组网能力
技术参数

电气火灾监控探测器
技术特点
(1)自由组合

(2)报警功能
温度、漏电流超过阀值时报警,报警阈值可针对单一模块独立配置。
(3)重要位置检测
测温传感器一般捆绑于配电系统的第二级开关上接线端处;当配电系统的第一级与第二级开关之间距离较短时, 可粘贴于第一级开关下接线端处。因断路器与电缆连接处接触电阻最大,在线路过负荷状态下,此处温度最高 为火灾易发点。
(4)参数设置
可以设置地址、漏电流检测数量、温度检测数量。
通过监控器或上位机通信给探测器设置漏电流报警限定值300-1000mA、 超温报警的限定值45-140℃,设定值 可连续调节
技术参数

剩余电流互感器
技术特点
(1)精度高:精度0.5/1.0/3级可选
(2)平衡特性优:可满足探测器报警阈值20mA 要求
(3)外形美观:紧凑设计,体型小巧,施工方便
选型说明
(1)电缆适用圆孔系列,母排适用矩形孔系列
(2)一体式探测器模块默认配接513系列互感器
(3)分体式探测器模块可配接多个系列互感器


PT100 温度传感器

技术特点
(1)体积小巧,安装简单。
(2)热响应时间少,反应灵敏。
(3)防水防潮。
基本参数
温度范围:0~200℃
测量精度:±0.3℃
引线材质:可定制
引线长度:100cm (可定制)
引出线缆:二线制
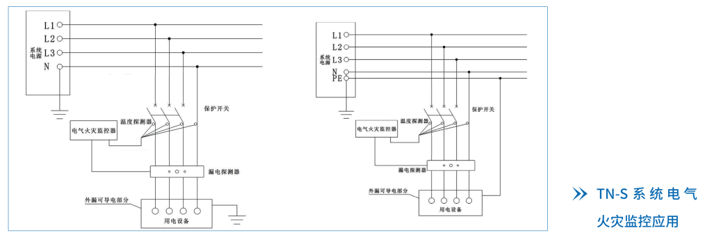
系统设计图例
方案一

方案二


![]()
方案三

典型配电箱接线要求



布线要求
1.电气火灾监控系统的导线选择、线路敷设、接地电阻,应与火灾自动报警系统的要求相同。
2.系统总线宜采用WDZN-RVS-2×线径(与24V电源线同敷设时)或WDZN-RVSP-2×线径(与220V线缆同敷设时)。
3.传输线路应采用金属管、可挠(金属)电气导管、B1级以上的钢性塑料管或封闭式线槽。
4.与电力、照明合用竖井时,应与配电线路电缆分别布置在竖井的两侧。
5.合用线槽时,不同电压等级的线缆应有隔板分隔。
6.宜采用红蓝或红黑两种不同颜色的导线,正极为红色,负极为蓝色或黑色。
